Threaded rods, also known as studs, are long rod fasteners that are threaded either along their whole length or just on set lengths at each end. These rods are similar to screws in appearance and function but are much thicker and longer. Threaded rods come in various lengths and diameters, meaning their functionality covers a huge range of applications. These rods are very useful as they can be custom cut to length to suit your application and the thread can have a right-handed or left-handed thread pattern.
Threaded Design: The entire length of the rod is characterized by a helical thread, which allows nuts and other fasteners to be easily attached.
Material: Threaded rods can be made from various materials, including steel, stainless steel, brass, and aluminum, depending on the application and environmental conditions.
Standard Sizes: They are available in standard sizes and come in different diameters and lengths to suit specific requirements.
Thread Types: Threaded rods can have different thread types, such as coarse or fine threads, depending on the intended use.
End Types: The ends of threaded rods can be plain or chamfered, and they may also have various end treatments like cut, chamfered, or rounded.
When using threaded rods, it is essential to ensure that the appropriate material, diameter, length, and threading specifications are selected based on the specific requirements of the application. Additionally, proper installation and torque values should be followed to ensure the integrity of the connection.
Threaded Rods Threaded rods are most commonly constructed from metals such as steel or stainless steel but can also be produced in brass and even in Nylon to best suit their application. Their main use is to fasten wood or metal together, but they are also used to stabilise structures by being inserted into concrete and can be done so on a permanent or temporary basis. Their threading also allows for bolts or nuts to easily fasten to it where required.
| Fully Threaded Rods of Standard | Din 975, Din 976 ASTM, DIN, BS and all International Standards |
| Thread size of Stainless Steel Threaded Rods | M38, M16, M5, M2, M45, M12, M72, M48, M6, M8, M56, M22, M14 |
| Threaded Rods length | 12, 360, 90, 200, 180, 25, 70, 150, 440, 220, 120, 380, 35, 80, 85, 400, 420, 100, 55, 320, 170, 280, 190, 22, 30, 300, 50, 140, 60, 260, 240, 500, 18, 40, 340, 45, 130, 65, 110, 95, 16, 20, 14, 75 |
| Designation | Minimum Thickness, in. |
|---|---|
| 3 | 00.0001 |
| 5 | 0.0002 |
| 8 | 0.0003 |
| 12 | 0.0005 |
| Size (MM) | Weight per Metre | Size (UNC) | Weight per Mtr |
| M2 | 0.0187 | ||
| M2.5 | 0.030 | ||
| M3 | 0.044 | ||
| M3.5 | 0.060 | ||
| M4 | 0.078 | ||
| M5 | 0.124 | ||
| M6 | 0.177 | ¼” | 0.194 |
| M8 | 0.319 | 5/16” | 0.323 |
| M10 | 0.500 | 3/8” | 0.469 |
| 7/16” | 0.650 | ||
| M12 | 0.725 | ½” | 0.896 |
| M14 | 0.970 | 9/16” | 1.096 |
| M16 | 1.330 | 5/8” | 1.342 |
| M18 | 1.650 | ||
| M20 | 2.080 | ¾” | 2.021 |
| M22 | 2.540 | 7/8” | 2.756 |
| M24 | 3.000 | 1” | 3.638 |
| M27 | 3.850 | 1 1/8” | 4.545 |
| M30 | 4.750 | 1 ¼” | 5.718 |
| M33 | 5.900 | 1 3/8” | 6.842 |
| M36 | 6.900 | 1 ½” | 8.281 |
| M39 | 8.200 | 1 5/8” | 9.726 |
| M42 | 9.400 | 1 ¾” | 11.231 |
| M45 | 11.000 | 1 7/8” | 13.038 |
| M48 | 12.400 | 2 | 14.741 |
| LENGTH | Diameter | ||||||||||||
| 1/2" | 5/8" | 3/4" | 7/8" | 1" | 1.1/8" | 1.1/4" | 1.3/8" | 1.1/2" | 1.5/8" | 1.3/4" | 1.7/8" | 2" | |
| 50 mm | 0.044 | 0.069 | 0.100 | 0.136 | 0.178 | 0.225 | 0.296 | 0.356 | 0.422 | 0.493 | 0.570 | 0.681 | 0.771 |
| 55 mm | 0.049 | 0.076 | 0.110 | 0.150 | 0.195 | 0.247 | 0.326 | 0.392 | 0.464 | 0.543 | 0.627 | 0.749 | 0.848 |
| 60 mm | 0.053 | 0.083 | 0.120 | 0.163 | 0.213 | 0.270 | 0.355 | 0.428 | 0.506 | 0.592 | 0.684 | 0.817 | 0.925 |
| 65 mm | 0.058 | 0.090 | 0.130 | 0.177 | 0.231 | 0.292 | 0.385 | 0.463 | 0.549 | 0.641 | 0.741 | 0.885 | 1.002 |
| 70 mm | 0.062 | 0.097 | 0.140 | 0.190 | 0.249 | 0.315 | 0.415 | 0.499 | 0.591 | 0.690 | 0.798 | 0.953 | 1.079 |
| 75 mm | 0.067 | 0.104 | 0.150 | 0.204 | 0.266 | 0.337 | 0.444 | 0.535 | 0.633 | 0.740 | 0.855 | 1.021 | 1.156 |
| 80 mm | 0.071 | 0.111 | 0.160 | 0.218 | 0.284 | 0.360 | 0.474 | 0.570 | 0.675 | 0.789 | 0.912 | 1.089 | 1.233 |
| 85 mm | 0.075 | 0.118 | 0.170 | 0.231 | 0.302 | 0.382 | 0.504 | 0.606 | 0.717 | 0.838 | 0.969 | 1.158 | 1.310 |
| 90 mm | 0.080 | 0.125 | 0.180 | 0.245 | 0.320 | 0.404 | 0.533 | 0.641 | 0.760 | 0.888 | 1.026 | 1.226 | 1.387 |
| 95 mm | 0.084 | 0.132 | 0.190 | 0.258 | 0.337 | 0.427 | 0.563 | 0.677 | 0.802 | 0.937 | 1.083 | 1.294 | 1.464 |
| 100 mm | 0.089 | 0.139 | 0.200 | 0.272 | 0.355 | 0.449 | 0.592 | 0.713 | 0.844 | 0.986 | 1.140 | 1.362 | 1.541 |
| 110 mm | 0.098 | 0.153 | 0.220 | 0.299 | 0.391 | 0.494 | 0.652 | 0.784 | 0.928 | 1.085 | 1.254 | 1.498 | 1.695 |
| 120 mm | 0.107 | 0.166 | 0.240 | 0.326 | 0.426 | 0.539 | 0.711 | 0.855 | 1.013 | 1.184 | 1.388 | 1.634 | 1.850 |
| 125 mm | 0.111 | 0.173 | 0.250 | 0.340 | 0.444 | 0.562 | 0.741 | 0.891 | 1.055 | 1.233 | 1.425 | 1.702 | 1.927 |
| 130 mm | 0.115 | 0.180 | 0.260 | 0.353 | 0.462 | 0.584 | 0.770 | 0.926 | 1.097 | 1.282 | 1.482 | 1.770 | 2.004 |
| 140 mm | 0.124 | 0.194 | 0.280 | 0.381 | 0.497 | 0.628 | 0.829 | 0.998 | 1.182 | 1.381 | 1.596 | 1.907 | 2.158 |
| 150 mm | 0.133 | 0.208 | 0.300 | 0.408 | 0.533 | 0.674 | 0.889 | 1.069 | 1.266 | 1.480 | 1.710 | 2.043 | 2.312 |
| 160 mm | 0.142 | 0.222 | 0.320 | 0.435 | 0.568 | 0.719 | 0.948 | 1.140 | 1.350 | 1.578 | 1.824 | 2.179 | 2.466 |
| 170 mm | 0.151 | 0.236 | 0.340 | 0.462 | 0.604 | 0.764 | 1.007 | 1.212 | 1.435 | 1.677 | 1.938 | 2.315 | 2.620 |
| 175 mm | 0.155 | 0.243 | 0.350 | 0.476 | 0.621 | 0.786 | 1.037 | 1.247 | 1.477 | 1.726 | 1.995 | 2.383 | 2.697 |
| 180 mm | 0.160 | 0.250 | 0.360 | 0.489 | 0.639 | 0.809 | 1.066 | 1.283 | 1.519 | 1.776 | 2.052 | 2.451 | 2.774 |
| 190 mm | 0.169 | 0.264 | 0.380 | 0.517 | 0.675 | 0.854 | 1.126 | 1.354 | 1.604 | 1.874 | 2.166 | 2.588 | 2.928 |
| 200 mm | 0.178 | 0.277 | 0.399 | 0.544 | 0.710 | 0.899 | 1.185 | 1.425 | 1.688 | 1.973 | 2.280 | 2.724 | 3.083 |
| 210 mm | 0.186 | 0.291 | 0.419 | 0.571 | 0.746 | 0.944 | 1.244 | 1.497 | 1.772 | 2.071 | 2.394 | 2.860 | 3.237 |
| 220 mm | 0.195 | 0.305 | 0.439 | 0.596 | 0.781 | 0.989 | 1.303 | 1.568 | 1.857 | 2.170 | 2.508 | 2.996 | 3.391 |
| 225 mm | 0.200 | 0.312 | 0.449 | 0.612 | 0.799 | 1.011 | 1.333 | 1.604 | 1.899 | 2.219 | 2.565 | 3.064 | 3.468 |
| 230 mm | 0.204 | 0.319 | 0.459 | 0.625 | 0.817 | 1.034 | 1.363 | 1.639 | 1.941 | 2.269 | 2.622 | 3.132 | 3.545 |
| 240 mm | 0.213 | 0.333 | 0.479 | 0.653 | 0.852 | 1.079 | 1.422 | 1.710 | 2.026 | 2.367 | 2.736 | 3.268 | 3.699 |
| 250 mm | 0.222 | 0.347 | 0.499 | 0.680 | 0.888 | 1.124 | 1.481 | 1.782 | 2.110 | 2.466 | 2.850 | 3.405 | 3.853 |
| 260 mm | 0.231 | 0.361 | 0.519 | 0.707 | 0.923 | 1.169 | 1.540 | 1.853 | 2.194 | 2.565 | 2.964 | 3.541 | 4.007 |
| 270 mm | 0.240 | 0.375 | 0.539 | 0.734 | 0.959 | 1.213 | 1.600 | 1.924 | 2.279 | 2.663 | 3.078 | 3.677 | 4.161 |
| 275 mm | 0.244 | 0.382 | 0.549 | 0.748 | 0.977 | 1.236 | 1.629 | 1.960 | 2.321 | 2.713 | 3.135 | 3.745 | 4.238 |
| 280 mm | 0.249 | 0.388 | 0.559 | 0.761 | 0.994 | 1.258 | 1.659 | 1.995 | 2.363 | 2.762 | 3.192 | 3.813 | 4.316 |
| 290 mm | 0.257 | 0.402 | 0.579 | 0.788 | 1.030 | 1.303 | 1.718 | 2.067 | 2.448 | 2.861 | 3.306 | 3.949 | 4.470 |
| 300 mm | 0.266 | 0.416 | 0.599 | 0.816 | 1.065 | 1.348 | 1.777 | 2.138 | 2.532 | 2.959 | 3.420 | 4.086 | 4.624 |
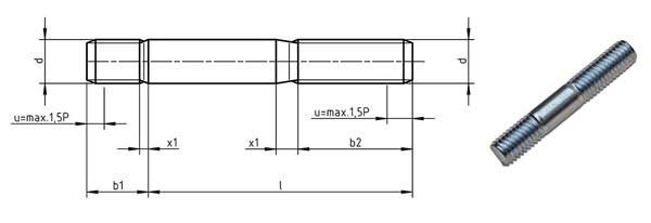
| Thread d | M4 | M5 | M6 | (M7) | M8 | M10 | M12 | (M14) | M16 | (M18) | M20 | (M22) | M24 |
|---|---|---|---|---|---|---|---|---|---|---|---|---|---|
| - | - | - | - | M8x1 | M10x1,25 | M12x1,25 | (M14x1,5) | M16x1,5 | (M18x1,5) | M20x1,5 | (M22x1,5) | M24x2 | |
| - | - | - | - | - | - | M12x1,5 | - | - | - | - | - | - | |
| b1 | 5 | 6,5 | 7,5 | 9 | 10 | 12 | 15 | 18 | 20 | 22 | 25 | 28 | 30 |
| b2 l<125mm | 14 | 16 | 18 | 20 | 22 | 26 | 30 | 34 | 38 | 42 | 46 | 50 | 54 |
| b2 125>l<200mm | 20 | 22 | 24 | 26 | 28 | 32 | 36 | 40 | 44 | 48 | 52 | 56 | 60 |
| b2 l>200mm | - | - | - | - | - | 45 | 49 | 53 | 57 | 61 | 65 | 69 | 73 |
| x1 | 1,75 | 2 | 2,5 | 2,5 | 3,2 | 3,8 | 4,3 | 5 | 5 | 6,3 | 6,3 | 6,3 | 7,5 |
| x2 | 0,9 | 1 | 1,25 | 1,25 | 1,6 | 1,9 | 2,2 | 2,5 | 2,5 | 3,2 | 3,2 | 3,2 | 3,8 |
| l js 15 | Weight (7,85/dm3) per 1000 units, in | ||||||||||||
| kg | |||||||||||||
| 12 | |||||||||||||
| 14 | |||||||||||||
| 16 | |||||||||||||
| 18 | |||||||||||||
| 20 | 2,03 | ||||||||||||
| 22 | 2,23 | 3,65 | |||||||||||
| 25 | 2,52 | 4,11 | 5,85 | ||||||||||
| 28 | 2,82 | 4,57 | 6,52 | 9,49 | |||||||||
| 30 | 3,02 | 4,88 | 6,96 | 10,1 | 13,1 | ||||||||
| 35 | 3,51 | 5,65 | 8,07 | 11,6 | 15,1 | 24,2 | |||||||
| 40 | 4,01 | 6,42 | 9,18 | 13,1 | 17 | 27,2 | 41 | ||||||
| 45 | 7,19 | 10,2 | 14,6 | 19 | 30,3 | 45,4 | 64 | ||||||
| 50 | 7,96 | 11,4 | 16,1 | 21 | 33,3 | 49,9 | 70 | 94,9 | |||||
| 55 | 12,5 | 17,7 | 22,9 | 36,4 | 54,3 | 76,1 | 103 | 130 | |||||
| 60 | 13,6 | 19,2 | 24,9 | 39,5 | 58,8 | 82,1 | 111 | 140 | 180 | ||||
| 65 | 20,7 | 26,9 | 42,6 | 63,2 | 88,2 | 119 | 150 | 192 | 242 | ||||
| 70 | 22,2 | 28,9 | 45,7 | 67,6 | 94,2 | 126 | 160 | 205 | 257 | 305 | |||
| 75 | 30,8 | 48,8 | 72,1 | 100 | 134 | 170 | 217 | 272 | 323 | ||||
| 80 | 32,8 | 51,8 | 76,5 | 106 | 142 | 180 | 229 | 287 | 341 | ||||
| 85 | 54,9 | 81 | 112 | 150 | 190 | 241 | 302 | 358 | |||||
| 90 | 58 | 85,4 | 118 | 158 | 199 | 254 | 317 | 376 | |||||
| 95 | 61,1 | 89,8 | 124 | 166 | 210 | 266 | 332 | 394 | |||||
| 100 | 64,2 | 94,3 | 130 | 174 | 220 | 279 | 346 | 412 | |||||
| 110 | 103 | 143 | 190 | 240 | 303 | 376 | 447 | ||||||
| 120 | 112 | 155 | 205 | 260 | 328 | 406 | 483 | ||||||
| 130 | 167 | 221 | 280 | 353 | 436 | 518 | |||||||
| 140 | 179 | 237 | 300 | 377 | 466 | 554 | |||||||
| 150 | 253 | 320 | 402 | 496 | 589 | ||||||||
| 160 | 269 | 340 | 427 | 525 | 625 | ||||||||
| 170 | 360 | 451 | 555 | 660 | |||||||||
| 180 | 380 | 476 | 585 | 696 | |||||||||
| 190 | 501 | 615 | 731 | ||||||||||
| 200 | 525 | 645 | 767 |
| Size | Weight |
|---|---|
| M2 | 18.7 |
| M2.5 | 30.0 |
| M3 | 44.0 |
| M3.5 | 60.0 |
| M4 | 78.0 |
| M5 | 124 |
| M6 | 177 |
| M8 | 319 |
| M10 | 500 |
| M12 | 725 |
| M14 | 970 |
| M16 | 1330 |
| M18 | 1650 |
| M20 | 2080 |
| M22 | 2540 |
| M24 | 3000 |
| M27 | 3850 |
| M30 | 4750 |
| M33 | 5900 |
| M36 | 6900 |
| M39 | 8200 |
| M42 | 9400 |
| M45 | 11000 |
| M48 | 12400 |
© 2026 KAPOOR FORGE, All rights reserved.